| Sign In | Join Free | My gastesters.com |
|
Brand Name : GLGNET
Model Number : JDMA4T826-GY
Certification : IECQ QC080000, UL, RoHS, ISO9001, ISO1400,
Place of Origin : China
MOQ : Negotiable
Price : Negotiable
Payment Terms : T/T
Supply Ability : 20kkports/month
Delivery Time : 10 working days
Packaging Details : Tray, Tube, Reel, Carton
Magnetic Speed : 1G Base- T
Application : Network Switches
Port : 2 x 4
LED Color : Green Yellow
Shield : Yes
EMI Panel : With
RJ45 2x4 Multiple Port Connectors with green yellow LED for 1G Network Switches
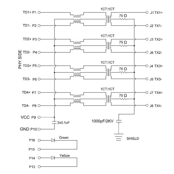
GGLGNET 2 x 4 RJ45 Jacks with Integrated Transformer supports a wide range of configurations in 1000 Base-T applications. Complies with requirement of IEEE802.3ab standard. Design for 1000 BASE transmission over UTP-6 cable. Complies with RoHS requirements.
1. Electrical Specification:
| Parameter | Specification |
| Brand | GLGNET |
| Operating Temperature | 0 to 70 ℃ |
| Turns Ratio | 1:1±3% |
| Open Circuit Inductance (ocl) | 350uH MIN@ 100KHz/100mV with 8mA DC Bias |
| Insertion Loss (IL) | -1.0dB MAX @ 0.3MHz – 100MHZ; |
| Return Loss (RL) Z out = 100 OHM | -18dB MIN @ 1MHz – 30MHZ; -13dB MIN @ 30MHz – 60MHZ; -10dB MIN @ 60MHz – 100MHZ; |
| Crosstalk Adjacent Channels | -30dB MIN @ 1MHz – 100MHZ |
| Common Mode Rejection Ratio (CMRR) | -30dB MIN @ 1MHz – 100MHZ |
| HI - POT | 2250 VDC @ 60 Seconds |
2. Magnetic RJ45 Connector (JDMA4T826-GY) Attributes:
| Part Number | JDMA4T826-GY | Brand | GLGNET |
| Place of Origin | Guangdong of China | Certification | CE /UL/FCC/Reach/RoHS |
| Product Type | Connector-Modular | Connector Style | Jack |
| Jack Type | RJ45 | Connector Type | Modular Jack |
| Latch Style | Standard | Latch | Up / Down |
| Filter | With Filter | LED Option | Can be with or without LED |
| LED Color | Green/Yellow/ Orange/ Red etc | Panel Stops | Without Panel Stops |
| Shielded | Yes | Applies To | Switcher Splitter |
| Performance Speed | 1000 BASE-T | Grounding Options | Panel Ground and PCB Ground |
| Port Configuration | 2 x 4 | Number of Positions | 16 |
| Jack Configuration | 2 x 4 | Terminals per Port | 8 |
| Shield Material | Copper Alloy preplated with Nickel | PCB Mounting Orientation | Side Entry (Right Angle) |
| Contact Mating Area Plating Material | Gold 6u/15u/30u/50u | Contact Base Material | Phosphor Bronze |
| Solder Tail Contact Plating Material | Tin-Lead over Nickel | PCB Mounting Style | Through Hole |
| Termination Method to PC Board | Through Hole | Board Lock | Without Board Lock |
| Housing Material | PA46 | Housing Color | Black |
| Housing Material Temperature | Standard | UL Flammability Rating | UL 94V-0 |
3. Advantages:
4. Applications:
5. Mechanical Drawing:




|
|
2x4 Multiple Port RJ45 Multiple Port Connectors Green Yellow LED For 1G Network Switches Images |